My Cart $-.--
Shop by Category
Quick Order
0
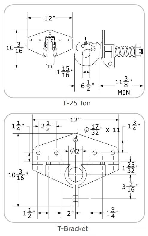
Home Utility Trailer Parts Trailer Couplers Pintle Hook Hitch Couplers & Related 25 TON T-BRACKET SPRING MOUNTED PINTLE HOOK ASSEMBLY

25 TON T-BRACKET SPRING MOUNTED PINTLE HOOK ASSEMBLY

PART WAF2046103
SUPPLIER ---
SUPPLIER PART # 2046103
Calculating price...
QUANTITY

About this item

T-Bracket Spring Mounted Pintle Hook Assembly, 15 Ton T-15, Max Capacity 30,000# G.T.W. X 6,000# V.L., For Use With 2-3/8" To 3" Diameter Eye And A Ring Thickness 1-1/4" To 1-5/8", Install With Grade 8 Bolts And Mount To A Plate With A Minimum Thickness Of 3/4"

There are currently no resources for this product.

There are currently no specs for this product.